Naposledy prohlížené produkty
Sledované produkty
Logo
Akcesoria i części do kotłów c.o.
Sociálních médiích
Facebooku Instagramu Allegro Newsletteru
  • Dmuchawy i wentylatory
    • dmuchawy i wentylatory Domer
    • Ventilátor na kotli s rámem spojení 120 x 140 mm
    • Ventilátor na kotli s rámem spojení 65 x 105 mm
    • Ventilátor na kotli s rámem spojení jiný rozměr
    • wentylatory wyciągowe, wyciągi spalin
    • akcesoria i części zamienne
    • kondensatory rozruchowe
    • zestawy do kotłów
  • Podajniki opału do kotłów
    • podajniki 5 Klasa EcoDesign
    • podajniki ślimakowe Domer
    • części do podajników Domer
    • šnekový podavač
    • podajniki peletowe, na biomase
    • deflektory, zawiesia
    • ślimaki, żmijki do podajników
    • Motorve reduktory a přenos, díly pro motorovy reduktoru
    • Elektrické motory pro moptorovy reduktoru
    • części do motoreduktorów i silników
    • šnekový podavač , náhradní díly, šneci
    • Pro palivové nádrže
    • zestawy do kotłów - podajniki
  • Sterowniki i regulatory
    • Teploni regulátory, ovladače pro čerpadla
    • Teploni regulátory, regulátory pro kotle jemné uhlí nabíjení
    • Teploni regulátory, regulátory pro kotle s podavačem
    • do kotłów z płaszczem powietrznym
    • Teploni regulátory, regulátory pro ventily
    • Teploni regulátory, regulátory pokoj panely
    • moduły internetowe
    • Meric tahu, regulátory průtok spalin
    • regulatory obrotów
    • Teplotní čidlo k regulátoru, součástí regulátoru
    • części do sterowników
    • zestawy do kotłów - sterowanie
    • zasilanie awaryjne, ups, akumulatory
  • Akcesoria do kotłów
    • Příslušenství pro kotle, tlumič, prázdný, piny
    • Kovové předměty, šrouby, ořechy, nýty
    • čištění kotle, nabiják, kartáč, Sadpal, Spalsadz
    • dodatki, amortyzatory, zaślepki, kołki, osłonki
    • Malovat, solventní
    • Informační nálepky
    • Nástroje
    • odstraszacze
    • opakowania, taśmy, kleje
    • układy kominowe, rury, kolana
    • Napájecí kabely, startovací kondenzátory
    • Rukojeť, kliky dveří
    • Litinový a paprsek rošt
    • řezné kotouče, brusné kotouče, lamelové kotouče
    • uszczelki gumowe, korkowe
    • Zapnutí produktu, závěsy, konektory, připojení potrubí
  • Instalacja CO
    • Instalace ústřední topení, měřicí přístroje
    • grzałki do bojlerów, bojlery
    • Instalace ústřední topení, pozinkované kování
    • naczynia wyrównawcze, przeponowe, wężownice schładzające
    • Oběhová čerpadla, obejít čerpací systémy
    • układy obejścia pomp
    • Instalace ústřední topení, kulové ventily, směšovací, diferenciální
    • akcesoria do instalacji
  • Spawalnictwo
    • Svařování, příslušenství, trysky, končí
    • Svařovací dráty, elektroda
    • Svařování, zabezpečení a ochrany zdraví při práci, maska, brýle, sklo, svařovací rukavice
    • narzędzia i preparaty spawalnicze
    • rękawice spawalnicze
  • BHP, bezpieczeństwo
    • Kouřový detektor, uhelnatý, plyn
    • Zabezpečení a ochrany zdraví při práci, maska, oděv, ochranné rukavice
    • rękawice ochronne
  • Termoizolacja kotłów
    • beton, szamot, kruszywo żaroodporne BOS 135
    • Izolační list
    • Beton, grog, žáruvzdorné cihly, žáruvzdorný agregát BOS 135
    • Sklo tmel, keramický, lůj
    • Izolace z minerální vlny pro kotle
    • Tepelné těsnění, deska, rohože, křemík
  • Do kominków
    • akcesoria do kominków
    • stojaki na drewno kominkowe
  • Promocje, zestawy, komplety
    • Aktualne oferty
  • Kotły c.o. i bufory PELLPAL
    • kotły na pellet
    • kotły na drewno
    • bufory, zbiorniki akumulacyjne
    • części do kotłów PELLPAL
  • Ogrodnictwo
    • paleniska ogrodowe
    • węże ogrodowe i złącza
Váš košík je prázdný
Ještě nemáte účet?
Vytvořit účet

Jazyk

  • Wersja językowa Polska Polska
  • Wersja językowa Angielska Angielska
  • Wersja językowa Niemiecka Niemiecka
  • Wersja językowa Słowacka Słowacka
  • Wersja językowa Ukraińska Ukraińska

měna

  • PLN
  • EUR
  • USD

Jazyk

  • Wersja językowa Polska Polska
  • Wersja językowa Angielska Angielska
  • Wersja językowa Niemiecka Niemiecka
  • Wersja językowa Słowacka Słowacka
  • Wersja językowa Ukraińska Ukraińska

měna

  • PLN
  • EUR
  • USD
  1. Start
  2. Akcesoria do kotłów
  3. Rukojeť, kliky dveří
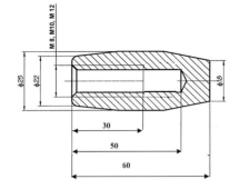
  4. Rekojeść stożkowa z gwintem wewnętrznym R-1 M-8
  • Rekojeść stożkowa z gwintem wewnętrznym R-1 M-8
  • Rekojeść stożkowa z gwintem wewnętrznym R-1 M-8 - 2
  • Rekojeść stożkowa z gwintem wewnętrznym R-1 M-8 - 3

Rekojeść stożkowa z gwintem wewnętrznym R-1 M-8

  • Sledovat produkt:
  • Přidat recenzi:
  • Kód: 2308
  • Výrobce: DOMER
  • Kód výrobce: 5902429310225
  • Hmotnost: 0.05 kg
  • Dostupnost: DUŻA ILOŚĆ
  • Cena bez DPH: 24,30 Kč 29,40 Kč
  • szt.
  • Platby Platba v hotovosti, Platba bankovním převodem, Online platby Platební karty, ApplePay, Google Pay - P24, PayPro SA, Osobista płatność przy odbiorze, Płatność odroczona (tylko dla zweryfikowanych Klientów), eService (karta nebo bankovní převod), Zapłacę przy odbiorze listonoszowi, Platba bankovním převodem - počkejte na odeslání platebního dokladu, Zapłacę przy odbiorze kurierowi Inpost
  • Blik Rychlé platby Blik.

Produkt odesíláme do 24 hodin.

Objednávku vyřizujeme do 24 hodin.

Můžeš vrátit produkt do 14 dnů.

Print

OPIS PRODUKTU

Przedmiotem tej aukcji jest rączka stożkowa z plastikowym uchwytem do drzwiczek kotła, pieca.

Uchyt rączki wykonany jest z plastiku. Jest to specjalny stop tworzyw sztucznych, który gwarantuje bardzo dobrą odporność na wysokie temperatury. Tworzywo to jest specjalnie wyprofilowane i estetycznie wykończone. Kolor uchwytu rączki czarny

Rączka posiada gwint M-8. Ma bardzo ładny kształ, wygląda estetycznie. Jako doświadczeni sprzedawcy staramy się proponować dla Państwa Akcesoria do pieców CO. najwyższej jakości. Cały czas wzbogacamy ofertę o nowe produkty w najlepszej cenie. Stawiamy na jakość dla tego przedstawione w naszej ofercie Akcesoria do kotłów CO. to pewny i sprawdzony produkt. Kupując w naszym sklepie Rączkę stożkową możesz liczyć na najwyższą jakość.

Nasze ponad 20 letnie doświadczenie nauczyło nas by stawiać na pewny produkt tak by był niezawodny i nie przysporzył problemów podczas prac, był wytrzymały i aby mógł służyć przez wiele lat bez usterek.

Jeżeli nie możesz dopasować interesującej Cię części do swojego kotła CO. Przeczytaj strone O Mnie oraz odwiedź pozostałe nasze aukcje, na których znajdziesz wiele ciekawych ofert.

Rączka ta jest stosowana przez wielu producentów kotłów centralnego ogrzewania.

Informace o bezpečnosti produktu Informace o výrobci

Informace o výrobci
EAN produktu: 5902429310225
Údaje o výrobci:
Název:
DOMER SIERECKI SP. J.
Adresa:
Sienkiewicza 45 A
63-300 Pleszew
Polsko
Kontakt:
Email: zamowienia@domer.pl
Telefon: +48 62 742 06 06
  • Doporučujeme produkty
  • Naposledy prohlížené produkty

Informacje
Obchodní podmínky O nás KONTAKT Ochrana osobních údajů ODSTĄPIENIE OD UMOWY Koszty i sposoby dostawy Raty credit agricole OBOWIĄZEK INFORMACYJNY RODO ODBIÓR ZUŻYTEGO SPRZĘTU KOMUNIKATY - INFORMACJE PRACA - OGŁOSZENIA Zaloguj się Zarejestruj się Informacja KSeF
Artykuły
Dmuchawy do kotłów Sterowniki do kotłów Podajniki do kotłów Kotły grzewcze c.o. Części do podajników Jak kupować ? Najczęstsze pytania
Kontakt z DOMER
DOMER SIERECKI SP. J. ul. Sienkiewicza 45 A 63-300 Pleszew woj. wielkopolskie, Polska NIP: 608-010-76-76 REGON: 302572040 tel. +48 62 742 06 06 tel. +48 62 506 56 00 e-mail. zamowienia@domer.pl
Nasze sklepy internetowe i strony www
Dmuchawy do i wentylatory wyciągowe - www.dmuchawa-do-kotla.pl Kotły na pellet i drewno, projekt PELLPAL - www.pellpal.pl Metalowe elementy wyposażania wnętrz Piękne Cięcie - www.pięknecięcie.pl Usługi cięcia laserem i gięcia CNC - www.domer-cnc.pl Części i akcesoria do kotłów c.o. - www.domer.pl
Oceń nas na Google
Twoja opinia jest dla nas ważna. Oceń nas na portalu Google. Zajmie to tylko chwilę.
Kontakt
Sociálních médiích
Facebooku Facebooku Instagramu Instagramu Allegro Allegro Newsletteru Newsletteru
Powered by SOTESHOP
Nastavení cookies
Nezbytné soubory cookie
Tyto soubory cookie jsou nezbytné pro fungování stránky a nelze je vypnout. Slouží například k udržení obsahu košíku uživatele. Můžete nastavit prohlížeč tak, aby tyto soubory cookie blokoval, ale pak stránka nebude fungovat správně. Tyto soubory cookie umožňují identifikaci např. přihlášených osob.

Vždy aktivní
Analytické soubory cookie
Tyto soubory cookie umožňují počítat návštěvy a zdroje provozu. Díky těmto souborům je známo, které stránky jsou populárnější a jak se návštěvníci pohybují po stránkách. Všechny informace shromážděné těmito soubory cookie jsou anonymní.

Reklamní soubory cookie
Reklamní soubory cookie mohou být prostřednictvím naší stránky používány našimi reklamními partnery. Slouží k vytváření profilu vašich zájmů na základě informací o stránkách, které prohlížíte, což zahrnuje jedinečnou identifikaci vašeho prohlížeče a koncového zařízení. Pokud tyto soubory cookie nepovolíte, stále budete v prohlížeči vidět základní reklamy, které nejsou založeny na vašich zájmech.

Naše stránka využívá služby Google, jako jsou Google Analytics a Google Ads. Chcete-li se dozvědět více o tom, jak Google využívá data z naší stránky, seznamte se s zásadami ochrany osobních údajů a podmínkami Google.

Odesílání dat souvisejících s reklamami
Souhlasím se zasíláním údajů souvisejících s reklamami do Googlu.

Personalizované reklamy Google
Souhlasím s používáním personalizovaných reklam. Tyto reklamy jsou přizpůsobeny konkrétním preferencím, chováním a vlastnostem uživatele. Google shromažďuje údaje o aktivitě uživatele na internetu, jako jsou vyhledávání, navštívené webové stránky, kliknutí a online nákupy, aby lépe porozuměl jeho zájmům a preferencím.

Košík
Váš košík je prázdný
Kategorie
  • Dmuchawy i wentylatory
    • dmuchawy i wentylatory Domer
    • Ventilátor na kotli s rámem spojení 120 x 140 mm
    • Ventilátor na kotli s rámem spojení 65 x 105 mm
    • Ventilátor na kotli s rámem spojení jiný rozměr
    • wentylatory wyciągowe, wyciągi spalin
    • akcesoria i części zamienne
    • kondensatory rozruchowe
    • zestawy do kotłów
  • Podajniki opału do kotłów
    • podajniki 5 Klasa EcoDesign
    • podajniki ślimakowe Domer
    • części do podajników Domer
    • šnekový podavač
    • podajniki peletowe, na biomase
    • deflektory, zawiesia
    • ślimaki, żmijki do podajników
    • Motorve reduktory a přenos, díly pro motorovy reduktoru
    • Elektrické motory pro moptorovy reduktoru
    • części do motoreduktorów i silników
    • šnekový podavač , náhradní díly, šneci
    • Pro palivové nádrže
    • zestawy do kotłów - podajniki
  • Sterowniki i regulatory
    • Teploni regulátory, ovladače pro čerpadla
    • Teploni regulátory, regulátory pro kotle jemné uhlí nabíjení
    • Teploni regulátory, regulátory pro kotle s podavačem
    • do kotłów z płaszczem powietrznym
    • Teploni regulátory, regulátory pro ventily
    • Teploni regulátory, regulátory pokoj panely
    • moduły internetowe
    • Meric tahu, regulátory průtok spalin
    • regulatory obrotów
    • Teplotní čidlo k regulátoru, součástí regulátoru
    • części do sterowników
    • zestawy do kotłów - sterowanie
    • zasilanie awaryjne, ups, akumulatory
  • Akcesoria do kotłów
    • Příslušenství pro kotle, tlumič, prázdný, piny
    • Kovové předměty, šrouby, ořechy, nýty
    • čištění kotle, nabiják, kartáč, Sadpal, Spalsadz
    • dodatki, amortyzatory, zaślepki, kołki, osłonki
    • Malovat, solventní
    • Informační nálepky
    • Nástroje
    • odstraszacze
    • opakowania, taśmy, kleje
    • układy kominowe, rury, kolana
    • Napájecí kabely, startovací kondenzátory
    • Rukojeť, kliky dveří
    • Litinový a paprsek rošt
    • řezné kotouče, brusné kotouče, lamelové kotouče
    • uszczelki gumowe, korkowe
    • Zapnutí produktu, závěsy, konektory, připojení potrubí
  • Instalacja CO
    • Instalace ústřední topení, měřicí přístroje
    • grzałki do bojlerów, bojlery
    • Instalace ústřední topení, pozinkované kování
    • naczynia wyrównawcze, przeponowe, wężownice schładzające
    • Oběhová čerpadla, obejít čerpací systémy
    • układy obejścia pomp
    • Instalace ústřední topení, kulové ventily, směšovací, diferenciální
    • akcesoria do instalacji
  • Spawalnictwo
    • Svařování, příslušenství, trysky, končí
    • Svařovací dráty, elektroda
    • Svařování, zabezpečení a ochrany zdraví při práci, maska, brýle, sklo, svařovací rukavice
    • narzędzia i preparaty spawalnicze
    • rękawice spawalnicze
  • BHP, bezpieczeństwo
    • Kouřový detektor, uhelnatý, plyn
    • Zabezpečení a ochrany zdraví při práci, maska, oděv, ochranné rukavice
    • rękawice ochronne
  • Termoizolacja kotłów
    • beton, szamot, kruszywo żaroodporne BOS 135
    • Izolační list
    • Beton, grog, žáruvzdorné cihly, žáruvzdorný agregát BOS 135
    • Sklo tmel, keramický, lůj
    • Izolace z minerální vlny pro kotle
    • Tepelné těsnění, deska, rohože, křemík
  • Do kominków
    • akcesoria do kominków
    • stojaki na drewno kominkowe
  • Promocje, zestawy, komplety
    • Aktualne oferty
  • Kotły c.o. i bufory PELLPAL
    • kotły na pellet
    • kotły na drewno
    • bufory, zbiorniki akumulacyjne
    • części do kotłów PELLPAL
  • Ogrodnictwo
    • paleniska ogrodowe
    • węże ogrodowe i złącza
Moje konto
Ještě nemáte účet?
Vytvořit účet

Jazyk

  • Wersja językowa Polska Polska
  • Wersja językowa Angielska Angielska
  • Wersja językowa Niemiecka Niemiecka
  • Wersja językowa Słowacka Słowacka
  • Wersja językowa Ukraińska Ukraińska

měna

  • PLN
  • EUR
  • USD
Hledání produktů