Ostatnio przeglądane produkty
Obserwowane produkty
Logo
Akcesoria i części do kotłów c.o.
Social media
Facebook Instagram Allegro Newsletter
  • Dmuchawy i wentylatory
    • dmuchawy i wentylatory Domer
    • ramka przyłączeniowa 120 x 140 mm
    • ramka przyłączeniowa 65 x 105 mm
    • ramka przyłączeniowa w innych wymiarach
    • wentylatory wyciągowe, wyciągi spalin
    • akcesoria i części zamienne
    • kondensatory rozruchowe
    • zestawy do kotłów
  • Podajniki opału do kotłów
    • podajniki 5 Klasa EcoDesign
    • podajniki ślimakowe Domer
    • części do podajników Domer
    • układy ślimakowe, podajniki
    • podajniki peletowe, na biomase
    • deflektory, zawiesia
    • ślimaki, żmijki do podajników
    • motoreduktory i przekładnie
    • silniki elektryczne do motoreduktorów
    • części do motoreduktorów i silników
    • części zamienne do podajników
    • zbiorniki na opał
    • zestawy do kotłów - podajniki
  • Sterowniki i regulatory
    • do pomp c.o., c.w.u., obiegowych
    • do kotłów miałowych zasypowych
    • do kotłów z podajnikiem
    • do kotłów z płaszczem powietrznym
    • do zaworów mieszających
    • panele pokojowe, termostaty
    • moduły internetowe
    • miarkowniki, regulatory ciągu kominowego
    • regulatory obrotów
    • czujniki temperatury do sterowników
    • części do sterowników
    • zestawy do kotłów - sterowanie
    • zasilanie awaryjne, ups, akumulatory
  • Akcesoria do kotłów
    • akcesoria montażowe
    • artykuły metalowe, śruby, nakrętki, nity
    • czyszczenie kotła, wyciory, szczotki, preparaty
    • dodatki, amortyzatory, zaślepki, kołki, osłonki
    • farby, rozpuszczalniki
    • naklejki informacyjne, tabliczki znamionowe
    • narzędzia, elektronarzędzia
    • odstraszacze
    • opakowania, taśmy, kleje
    • układy kominowe, rury, kolana
    • przewody zasilające, wtyczki, gniazda, bezpieczniki
    • rękojeści, rączki drzwiczek, gałki, uchwyty
    • ruszty żeliwne, belkowe
    • tarcze do cięcia, szlifowania, ściernice listkowe
    • uszczelki gumowe, korkowe
    • wyroby tokarskie, zawiasy, króćce, mufy
  • Instalacja CO
    • armatura pomiarowa
    • grzałki do bojlerów, bojlery
    • kształtki ocynk
    • naczynia wyrównawcze, przeponowe, wężownice schładzające
    • pompy obiegowe C.O. i C.W.U.
    • układy obejścia pomp
    • zawory kulowe, mieszające, różnicowe
    • akcesoria do instalacji
  • Spawalnictwo
    • akcesoria, dysze, końcówki
    • druty spawalnicze, elektrody
    • maski, przyłbice, okulary, szybki
    • narzędzia i preparaty spawalnicze
    • rękawice spawalnicze
  • BHP, bezpieczeństwo
    • czujniki dymu, tlenku węgla, gazu
    • BHP, maski, ubiór
    • rękawice ochronne
  • Termoizolacja kotłów
    • beton, szamot, kruszywo żaroodporne BOS 135
    • blacha izolacyjna do kotłów
    • cegły ognioodporne
    • szczeliwa szklane, ceramiczne, łojowe
    • wełna izolacyjna
    • uszczelnienia termiczne, płyty, maty, silikony
  • Do kominków
    • akcesoria do kominków
    • stojaki na drewno kominkowe
  • Promocje, zestawy, komplety
    • Aktualne oferty
  • Kotły c.o. i bufory PELLPAL
    • kotły na pellet
    • kotły na drewno
    • bufory, zbiorniki akumulacyjne
    • części do kotłów PELLPAL
  • Ogrodnictwo
    • paleniska ogrodowe
    • węże ogrodowe i złącza
Twój koszyk jest pusty
Nie masz jeszcze konta?
Załóż konto

Język

  • Wersja językowa Angielska Angielska
  • Wersja językowa Czeska Czeska
  • Wersja językowa Niemiecka Niemiecka
  • Wersja językowa Słowacka Słowacka
  • Wersja językowa Ukraińska Ukraińska

Waluta

  • EUR
  • CZK
  • USD

Język

  • Wersja językowa Angielska Angielska
  • Wersja językowa Czeska Czeska
  • Wersja językowa Niemiecka Niemiecka
  • Wersja językowa Słowacka Słowacka
  • Wersja językowa Ukraińska Ukraińska

Waluta

  • EUR
  • CZK
  • USD
  1. Start
  2. Akcesoria do kotłów
  3. rękojeści, rączki drzwiczek, gałki, uchwyty
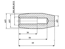
  4. Rekojeść stożkowa z gwintem wewnętrznym R-1 M-8
  • Rekojeść stożkowa z gwintem wewnętrznym R-1 M-8
  • Rekojeść stożkowa z gwintem wewnętrznym R-1 M-8 - 2
  • Rekojeść stożkowa z gwintem wewnętrznym R-1 M-8 - 3

Rekojeść stożkowa z gwintem wewnętrznym R-1 M-8

  • Obserwuj produkt:
  • Dodaj recenzję:
  • Kod: 2308
  • Producent: DOMER
  • Kod producenta: 5902429310225
  • Waga: 0.05 kg
  • Dostępność: DUŻA ILOŚĆ

  • Historia ceny
  • Cena netto: 4,24 zł 5,22 zł
  • szt.
  • Płatności Zapłacę przy odbiorze kurierowi, Wykonam przedpłatę na konto (zwykły przelew bankowy), Płatności online Przelewy24, Karty płatnicze, ApplePay, Google Pay - PayPro SA, Osobista płatność przy odbiorze, Płatność odroczona (tylko dla zweryfikowanych Klientów), Płatność internetowa Online - eService, Zapłacę przy odbiorze listonoszowi, Płatność przelewem na konto - poczekaj na przesłanie faktury proforma, Zapłacę przy odbiorze kurierowi Inpost
  • Blik Szybkie płatności Blik.

Jeżeli masz pytania odnośnie produktu
zadzwoń pod numer 62 742 06 06.

Zamówienia wysyłamy od poniedziałku do piątku.
Szacowany czas na wysyłkę: 1 dzień

Zamówienie wysyłamy w ciągu 24 godzin. Wysyłamy przesyłki od poniedziałku do piątku według kolejności ich składania. Jeżeli składasz zamówienie, np. w piątek po godz. 12:00 wysyłka nastąpi najprawdopodobniej w poniedziałek.

Możesz zwrócić produkt w ciągu 14 dni.

Drukuj

OPIS PRODUKTU

Przedmiotem tej aukcji jest rączka stożkowa z plastikowym uchwytem do drzwiczek kotła, pieca.

Uchyt rączki wykonany jest z plastiku. Jest to specjalny stop tworzyw sztucznych, który gwarantuje bardzo dobrą odporność na wysokie temperatury. Tworzywo to jest specjalnie wyprofilowane i estetycznie wykończone. Kolor uchwytu rączki czarny

Rączka posiada gwint M-8. Ma bardzo ładny kształ, wygląda estetycznie. Jako doświadczeni sprzedawcy staramy się proponować dla Państwa Akcesoria do pieców CO. najwyższej jakości. Cały czas wzbogacamy ofertę o nowe produkty w najlepszej cenie. Stawiamy na jakość dla tego przedstawione w naszej ofercie Akcesoria do kotłów CO. to pewny i sprawdzony produkt. Kupując w naszym sklepie Rączkę stożkową możesz liczyć na najwyższą jakość.

Nasze ponad 20 letnie doświadczenie nauczyło nas by stawiać na pewny produkt tak by był niezawodny i nie przysporzył problemów podczas prac, był wytrzymały i aby mógł służyć przez wiele lat bez usterek.

Jeżeli nie możesz dopasować interesującej Cię części do swojego kotła CO. Przeczytaj strone O Mnie oraz odwiedź pozostałe nasze aukcje, na których znajdziesz wiele ciekawych ofert.

Rączka ta jest stosowana przez wielu producentów kotłów centralnego ogrzewania.

Informacje o bezpieczeństwie produktu Informacje o producencie

Informacje o producencie
EAN produktu: 5902429310225
Dane producenta:
Nazwa:
DOMER SIERECKI SP. J.
Adres:
Sienkiewicza 45 A
63-300 Pleszew
Polska
Kontakt:
Email: zamowienia@domer.pl
Telefon: +48 62 742 06 06
  • Polecane produkty
  • Ostatnio przeglądane produkty

Informacje
O firmie domer Regulamin Kontakt Polityka prywatności Odstąpienie od umowy Koszty i sposoby dostawy Raty credit agricole Obowiązek informacyjny rodo Odbiór zużytego sprzętu Komunikaty - informacje Praca - ogłoszenia Zaloguj się Zarejestruj się Informacja KSeF
Artykuły
Dmuchawy do kotłów Sterowniki do kotłów Podajniki do kotłów Kotły grzewcze c.o. Części do podajników Jak kupować ? Najczęstsze pytania
Kontakt z DOMER
DOMER SIERECKI SP. J. ul. Sienkiewicza 45 A 63-300 Pleszew woj. wielkopolskie, Polska NIP: 608-010-76-76 REGON: 302572040 tel. +48 62 742 06 06 tel. +48 62 506 56 00 e-mail. zamowienia@domer.pl
Nasze sklepy internetowe i strony www
Dmuchawy do i wentylatory wyciągowe - www.dmuchawa-do-kotla.pl Kotły na pellet i drewno, projekt PELLPAL - www.pellpal.pl Metalowe elementy wyposażania wnętrz Piękne Cięcie - www.pięknecięcie.pl Usługi cięcia laserem i gięcia CNC - www.domer-cnc.pl Części i akcesoria do kotłów c.o. - www.domer.pl
Oceń nas na Google
Twoja opinia jest dla nas ważna. Oceń nas na portalu Google. Zajmie to tylko chwilę.
Kontakt
Social media
Facebook Facebook Instagram Instagram Allegro Allegro Newsletter Newsletter
Sklep internetowy SOTE
Ustawienia cookies
Niezbędne pliki cookie
Te pliki cookie są niezbędne do działania strony i nie można ich wyłączyć. Służą na przykład do utrzymania zawartości koszyka użytkownika. Możesz ustawić przeglądarkę tak, aby blokowała te pliki cookie, ale wtedy strona nie będzie działała poprawnie. Te pliki cookie pozwalają na identyfikację np. osób zalogowanych.

Zawsze aktywne
Analityczne pliki cookie
Te pliki cookie pozwalają liczyć wizyty i źródła ruchu. Dzięki tym plikom wiadomo, które strony są bardziej popularne i w jaki sposób poruszają się odwiedzający stronę. Wszystkie informacje gromadzone przez te pliki cookie są anonimowe.

Reklamowe pliki cookie
Reklamowe pliki cookie mogą być wykorzystywane za pośrednictwem naszej strony przez naszych partnerów reklamowych. Służą do budowania profilu Twoich zainteresowań na podstawie informacji o stronach, które przeglądasz, co obejmuje unikalną identyfikację Twojej przeglądarki i urządzenia końcowego. Jeśli nie zezwolisz na te pliki cookie, nadal będziesz widzieć w przeglądarce podstawowe reklamy, które nie są oparte na Twoich zainteresowaniach.

Nasza strona korzysta z usług Google, takich jak Google Analytics i Google Ads. Aby dowiedzieć się więcej o tym, jak Google wykorzystuje dane z naszej strony, zapoznaj się z polityką prywatności i warunkami Google.

Wysyłanie danych związanych z reklamami
Zgadzam się na wysyłanie danych związanych z reklamami do Google.

Reklamy spersonalizowane Google
Zgadzam się na używanie reklam spersonalizowanych. Reklamy te są dostosowywane do konkretnych preferencji, zachowań i cech użytkownika. Google zbiera dane na temat aktywności użytkownika w internecie, takie jak wyszukiwania, przeglądane strony internetowe, kliknięcia i zakupy online, aby lepiej zrozumieć jego zainteresowania i preferencje.

Koszyk
Twój koszyk jest pusty
Kategorie
  • Dmuchawy i wentylatory
    • dmuchawy i wentylatory Domer
    • ramka przyłączeniowa 120 x 140 mm
    • ramka przyłączeniowa 65 x 105 mm
    • ramka przyłączeniowa w innych wymiarach
    • wentylatory wyciągowe, wyciągi spalin
    • akcesoria i części zamienne
    • kondensatory rozruchowe
    • zestawy do kotłów
  • Podajniki opału do kotłów
    • podajniki 5 Klasa EcoDesign
    • podajniki ślimakowe Domer
    • części do podajników Domer
    • układy ślimakowe, podajniki
    • podajniki peletowe, na biomase
    • deflektory, zawiesia
    • ślimaki, żmijki do podajników
    • motoreduktory i przekładnie
    • silniki elektryczne do motoreduktorów
    • części do motoreduktorów i silników
    • części zamienne do podajników
    • zbiorniki na opał
    • zestawy do kotłów - podajniki
  • Sterowniki i regulatory
    • do pomp c.o., c.w.u., obiegowych
    • do kotłów miałowych zasypowych
    • do kotłów z podajnikiem
    • do kotłów z płaszczem powietrznym
    • do zaworów mieszających
    • panele pokojowe, termostaty
    • moduły internetowe
    • miarkowniki, regulatory ciągu kominowego
    • regulatory obrotów
    • czujniki temperatury do sterowników
    • części do sterowników
    • zestawy do kotłów - sterowanie
    • zasilanie awaryjne, ups, akumulatory
  • Akcesoria do kotłów
    • akcesoria montażowe
    • artykuły metalowe, śruby, nakrętki, nity
    • czyszczenie kotła, wyciory, szczotki, preparaty
    • dodatki, amortyzatory, zaślepki, kołki, osłonki
    • farby, rozpuszczalniki
    • naklejki informacyjne, tabliczki znamionowe
    • narzędzia, elektronarzędzia
    • odstraszacze
    • opakowania, taśmy, kleje
    • układy kominowe, rury, kolana
    • przewody zasilające, wtyczki, gniazda, bezpieczniki
    • rękojeści, rączki drzwiczek, gałki, uchwyty
    • ruszty żeliwne, belkowe
    • tarcze do cięcia, szlifowania, ściernice listkowe
    • uszczelki gumowe, korkowe
    • wyroby tokarskie, zawiasy, króćce, mufy
  • Instalacja CO
    • armatura pomiarowa
    • grzałki do bojlerów, bojlery
    • kształtki ocynk
    • naczynia wyrównawcze, przeponowe, wężownice schładzające
    • pompy obiegowe C.O. i C.W.U.
    • układy obejścia pomp
    • zawory kulowe, mieszające, różnicowe
    • akcesoria do instalacji
  • Spawalnictwo
    • akcesoria, dysze, końcówki
    • druty spawalnicze, elektrody
    • maski, przyłbice, okulary, szybki
    • narzędzia i preparaty spawalnicze
    • rękawice spawalnicze
  • BHP, bezpieczeństwo
    • czujniki dymu, tlenku węgla, gazu
    • BHP, maski, ubiór
    • rękawice ochronne
  • Termoizolacja kotłów
    • beton, szamot, kruszywo żaroodporne BOS 135
    • blacha izolacyjna do kotłów
    • cegły ognioodporne
    • szczeliwa szklane, ceramiczne, łojowe
    • wełna izolacyjna
    • uszczelnienia termiczne, płyty, maty, silikony
  • Do kominków
    • akcesoria do kominków
    • stojaki na drewno kominkowe
  • Promocje, zestawy, komplety
    • Aktualne oferty
  • Kotły c.o. i bufory PELLPAL
    • kotły na pellet
    • kotły na drewno
    • bufory, zbiorniki akumulacyjne
    • części do kotłów PELLPAL
  • Ogrodnictwo
    • paleniska ogrodowe
    • węże ogrodowe i złącza
Moje konto
Nie masz jeszcze konta?
Załóż konto

Język

  • Wersja językowa Angielska Angielska
  • Wersja językowa Czeska Czeska
  • Wersja językowa Niemiecka Niemiecka
  • Wersja językowa Słowacka Słowacka
  • Wersja językowa Ukraińska Ukraińska

Waluta

  • EUR
  • CZK
  • USD
Wyszukiwanie produktów